電動開關蝶閥簡介:
電動開關蝶閥就是通常所說的電動雙位切斷蝶閥,一般分為全開和全關兩種狀態。即該電動蝶閥在電控的情況下能達到全開或全關*確到位后自行停止,不能直接與管路系統的流量反饋裝置進行*準互動調節流量。根據連接方式的不同,主要有法蘭式電動開關型蝶閥和對夾式電動開關型蝶閥,選用不同的密封結構(軟密封結構和金屬硬密封結構)可對應使用在不同的介質,一般適用于兩位開關(快速切斷)控*的場合當中。

電動對夾式開關蝶閥 電動法蘭開關蝶閥
電動開關蝶閥特點:
1.電動開關蝶閥是依靠電動執行裝置來控*蝶閥的開或關,電壓AC220V(可選)。
2.依靠電力來帶動閥門,減少人力手工操作,省時省力。
3.開關及時到位,開關完成程度好,基本無誤差。
4.電動執行器帶有手動裝置,在停電或執行機構故障時可以進行手動操作,確保工況正常進行。

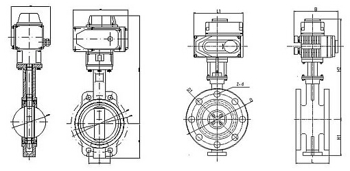
電動開關蝶閥結構圖(對夾式) 電動開關蝶閥結構圖(法蘭式)
電動開關蝶閥技術參數:
| 公稱通徑 |
DN50~DN1200mm |
| 公稱壓力 |
PN0.6、1.0、1.6、2.5MPa |
| 連接方式 |
對夾式、法蘭式 |
| 密封形式 |
軟密封,金屬密封 |
| 介質溫度 |
-20℃-450℃ |
| 動作方式 |
開關兩位(快速切斷) |
| 操作范圍 |
0~90° |
| 適用介質 |
水、油品、氣體、蒸汽、腐蝕性流體 |
電動開關蝶閥和電動調節蝶閥的區別:
一,開關型電動蝶閥的開啟和關閉只有兩個位置,要么閥門全開,要么閥門全關,不能用來做介質流量的調節控*。
二,調節型電動蝶閥可對管道中的介質流量、壓力、溫度等進行控*,且其三偏心密封閥芯設計能保證在半開狀態下耐沖刷、耐氣蝕。
電動開關蝶閥零件材料:
| 閥體 |
球墨鑄鋼、鑄鋼、合金鋼、不銹鋼 |
| 碟板 |
灰鑄鐵、球墨鑄鋼、鑄鋼、不銹鋼 |
| 密封圈 |
各種橡膠、聚四氟、不銹鋼 |
| 閥桿 |
2Cr13、不銹鋼 |
| 填料 |
O型圈、柔性石墨 |
相關產品: 氣動開關蝶閥